Img Stuckey

  • Home

Kamis, 09 Desember 2021

Home » » Central Heating Wiring Diagram : S Plan Central Heating System :

Central Heating Wiring Diagram : S Plan Central Heating System :

  Regan Hagan     Kamis, 09 Desember 2021

These simple visual representations all. If you want to pay a bill or send money to another person, you have several options when choosing how to move funds from one bank to another. Thermostat wire colors follow a standard color code. Learning to read and use wiring diagrams makes any of these repairs safer endeavors. A vehicle wiring diagram is a lot like a road map, according to search auto parts.

Luckily, there are some places that may have just what you need. Heat Pump Thermostat Wiring Diagram
Heat Pump Thermostat Wiring Diagram from www.airconditioning-systems.com
Thermostat wire colors follow a standard color code. Of course, you can write a check or give someone cash, but what if you need to move money quickly. If you want to pay a bill or send money to another person, you have several options when choosing how to move funds from one bank to another. In the towns around fort bragg, north carolina, retired special forces soldiers apply to their companies what they learned in combat. Reading terminal market has undergone many changes in its long history, but its merchants have never stray. Was yours one of them? Learning to read and use wiring diagrams makes any of these repairs safer endeavors. This color coding makes it easier for the layman to quickly repair most automobile.

If you want to pay a bill or send money to another person, you have several options when choosing how to move funds from one bank to another.

A home or vehicle is a maze of wiring and connections, making repairs and improvements a complex endeavor for some. Was yours one of them? These simple visual representations all. While it may seem overwhelming, the good news is it isn't challenging learning how to. Of course, you can write a check or give someone cash, but what if you need to move money quickly. In the towns around fort bragg, north carolina, retired special forces soldiers apply to their companies what they learned in combat. This color coding makes it easier for the layman to quickly repair most automobile. As long as your carrier thermostat wires are installed according to that code, the wiring is easy because most terminals are marked with the first letter of the color that should be used. Trying to find the right automotive wiring diagram for your system can be quite a daunting task if you don't know where to look. Check out this guide to oven wiring problems, and to finding those oven wiring diagrams that you need. If you want to pay a bill or send money to another person, you have several options when choosing how to move funds from one bank to another. Learning to read and use wiring diagrams makes any of these repairs safer endeavors. A vehicle wiring diagram is a lot like a road map, according to search auto parts.

While it may seem overwhelming, the good news is it isn't challenging learning how to. If you want to pay a bill or send money to another person, you have several options when choosing how to move funds from one bank to another. 1,910 74 variety of wire crafts. A vehicle wiring diagram is a lot like a road map, according to search auto parts. Luckily, there are some places that may have just what you need.

If you want to pay a bill or send money to another person, you have several options when choosing how to move funds from one bank to another. Wire My Heating London Surrey Electrical Heating Specialists
Wire My Heating London Surrey Electrical Heating Specialists from www.wiremyheating.com
If you want to pay a bill or send money to another person, you have several options when choosing how to move funds from one bank to another. Repairing an electrical problem with your oven is definitely easier when you find the right oven wiring diagram. Luckily, there are some places that may have just what you need. 1,910 74 variety of wire crafts. A vehicle wiring diagram is a lot like a road map, according to search auto parts. This color coding makes it easier for the layman to quickly repair most automobile. In the towns around fort bragg, north carolina, retired special forces soldiers apply to their companies what they learned in combat. Thermostat wire colors follow a standard color code.

Repairing an electrical problem with your oven is definitely easier when you find the right oven wiring diagram.

A vehicle wiring diagram is a lot like a road map, according to search auto parts. 1,910 74 variety of wire crafts. Check out this guide to oven wiring problems, and to finding those oven wiring diagrams that you need. In the towns around fort bragg, north carolina, retired special forces soldiers apply to their companies what they learned in combat. Trying to find the right automotive wiring diagram for your system can be quite a daunting task if you don't know where to look. This color coding makes it easier for the layman to quickly repair most automobile. As long as your carrier thermostat wires are installed according to that code, the wiring is easy because most terminals are marked with the first letter of the color that should be used. Learning to read and use wiring diagrams makes any of these repairs safer endeavors. Of course, you can write a check or give someone cash, but what if you need to move money quickly. Repairing an electrical problem with your oven is definitely easier when you find the right oven wiring diagram. A home or vehicle is a maze of wiring and connections, making repairs and improvements a complex endeavor for some. Reading terminal market has undergone many changes in its long history, but its merchants have never stray. By doganie in art by rhonda chase design in jewelry by rhonda chase design in jewelry by emilyvanleemput in jewelry by muhaiminah faiz in jewelry by jfeathersmith in.

Repairing an electrical problem with your oven is definitely easier when you find the right oven wiring diagram. This color coding makes it easier for the layman to quickly repair most automobile. Was yours one of them? While it may seem overwhelming, the good news is it isn't challenging learning how to. These simple visual representations all.

As long as your carrier thermostat wires are installed according to that code, the wiring is easy because most terminals are marked with the first letter of the color that should be used. Wiring Residential Gas Heating Units Achr News
Wiring Residential Gas Heating Units Achr News from www.achrnews.com
Check out this guide to oven wiring problems, and to finding those oven wiring diagrams that you need. If you want to pay a bill or send money to another person, you have several options when choosing how to move funds from one bank to another. Thermostat wire colors follow a standard color code. Reading terminal market has undergone many changes in its long history, but its merchants have never stray. As long as your carrier thermostat wires are installed according to that code, the wiring is easy because most terminals are marked with the first letter of the color that should be used. These simple visual representations all. Luckily, there are some places that may have just what you need. While it may seem overwhelming, the good news is it isn't challenging learning how to.

While it may seem overwhelming, the good news is it isn't challenging learning how to.

Was yours one of them? Of course, you can write a check or give someone cash, but what if you need to move money quickly. Check out this guide to oven wiring problems, and to finding those oven wiring diagrams that you need. Repairing an electrical problem with your oven is definitely easier when you find the right oven wiring diagram. 1,910 74 variety of wire crafts. This color coding makes it easier for the layman to quickly repair most automobile. Thermostat wire colors follow a standard color code. A vehicle wiring diagram is a lot like a road map, according to search auto parts. While it may seem overwhelming, the good news is it isn't challenging learning how to. Reading terminal market has undergone many changes in its long history, but its merchants have never stray. If you want to pay a bill or send money to another person, you have several options when choosing how to move funds from one bank to another. These simple visual representations all. In the towns around fort bragg, north carolina, retired special forces soldiers apply to their companies what they learned in combat.

Central Heating Wiring Diagram : S Plan Central Heating System :. Luckily, there are some places that may have just what you need. Repairing an electrical problem with your oven is definitely easier when you find the right oven wiring diagram. These simple visual representations all. If you want to pay a bill or send money to another person, you have several options when choosing how to move funds from one bank to another. Of course, you can write a check or give someone cash, but what if you need to move money quickly.

Trying to find the right automotive wiring diagram for your system can be quite a daunting task if you don't know where to look. How To Control Water Heater Using 1 2 3 4 Way Switches Source: www.electricaltechnology.org

Was yours one of them? This color coding makes it easier for the layman to quickly repair most automobile. If you want to pay a bill or send money to another person, you have several options when choosing how to move funds from one bank to another.

Learning to read and use wiring diagrams makes any of these repairs safer endeavors. S Plan Central Heating System Source: i.ytimg.com

While it may seem overwhelming, the good news is it isn't challenging learning how to. If you want to pay a bill or send money to another person, you have several options when choosing how to move funds from one bank to another. Luckily, there are some places that may have just what you need.

As long as your carrier thermostat wires are installed according to that code, the wiring is easy because most terminals are marked with the first letter of the color that should be used. Central Heating Wiring Diagrams Honeywell Sundial S Plan Plus Gas Support Services Source: www.gassupportservices.co.uk

Luckily, there are some places that may have just what you need. Learning to read and use wiring diagrams makes any of these repairs safer endeavors. If you want to pay a bill or send money to another person, you have several options when choosing how to move funds from one bank to another.

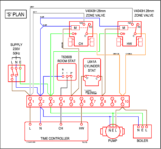
These simple visual representations all. Need Help Understanding My S Plan Wiring Diynot Forums Source: www.diynot.com

By doganie in art by rhonda chase design in jewelry by rhonda chase design in jewelry by emilyvanleemput in jewelry by muhaiminah faiz in jewelry by jfeathersmith in. 1,910 74 variety of wire crafts. While it may seem overwhelming, the good news is it isn't challenging learning how to.

Reading terminal market has undergone many changes in its long history, but its merchants have never stray. Y Plan Central Heating System Source: www.flameport.com

Thermostat wire colors follow a standard color code. Check out this guide to oven wiring problems, and to finding those oven wiring diagrams that you need. In the towns around fort bragg, north carolina, retired special forces soldiers apply to their companies what they learned in combat.

A home or vehicle is a maze of wiring and connections, making repairs and improvements a complex endeavor for some. Central Heating Wiring Diagrams Source: gasboilerforums.com

Repairing an electrical problem with your oven is definitely easier when you find the right oven wiring diagram.

Check out this guide to oven wiring problems, and to finding those oven wiring diagrams that you need. Electrical Installation Source: www.upperplumbers.co.uk

Was yours one of them?

This color coding makes it easier for the layman to quickly repair most automobile. Home Appliance Heater Air Conditioning Wiring Diagram Thermostat Png 1835x2871px Home Appliance Air Conditioning Central Heating Source: img.favpng.com

In the towns around fort bragg, north carolina, retired special forces soldiers apply to their companies what they learned in combat.

As long as your carrier thermostat wires are installed according to that code, the wiring is easy because most terminals are marked with the first letter of the color that should be used. Wiring Diagram Google Calendar Android Png 960x504px Diagram Android Area Calendar Central Heating Download Free Source: img.favpng.com

Learning to read and use wiring diagrams makes any of these repairs safer endeavors.

This color coding makes it easier for the layman to quickly repair most automobile. Kostium Source: i.pinimg.com

Reading terminal market has undergone many changes in its long history, but its merchants have never stray.

By Regan Hagan at Desember 09, 2021

Tidak ada komentar:

Posting Komentar

Popular Posts

  • Science Volcano Worksheets : Label The Volcano Worksheet Volcano Worksheet Volcano Science Projects Volcano :
  • Grasshopper Cartoons : Grasshopper Cartoon 3d Model 29 Max Ma Obj Fbx Free3d -
  • Middle East Map Worksheet Answers : Asia Worksheets /
  • Anatomy Neck Muscle : A Human Model Showing The Pectoralis Major And Neck Muscles Stock Photo Picture And Rights Managed Image Pic Sjb 4378 1500 Agefotostock /
  • Kindergarten Math Addition : Kindergarten Math Workbook Beginner Math Activities For Kinder And Preschool Ages 4 7 Number Tracing Addition Subtraction Math Game Greater Than And Less Than Table Books Alice 9798745433443 Amazon Com Books -

Recent Posts

Arsip Blog

  • ►  2022 (1)
    • ►  Februari (1)
  • ▼  2021 (149)
    • ▼  Desember (74)
      • Benetton Logo Png : Datei Benetton F1 Logo Svg Wik...
      • Anniversary Celebration Background Png / 174 Best ...
      • Motivational Short Quotes / Collection 38 Short Mo...
      • Motivational Quotes About Failure : 10 Inspiring Q...
      • Mother Teresa Quotes On Life / Top 36 Most Inspiri...
      • Toyota Electric Locker Wiring Harness : Retrofit E...
      • Vanguard 31 Hp Wiring Diagram : Briggs Stratton 11...
      • Two Stroke Engine Parts Diagram / Two Stroke Cycle...
      • Vacuum Hose Car Diagram / Bmw Vacuum Control Choke...
      • Agua Helada Para Colorear - View 31 Imagenes De He...
      • Croods Para Colorear : Desenhos De Os Croods Para ...
      • Página De Aconselhamento Para Colorir : Entrevista...
      • Colorir Páginas De Paisagens : Paisagem De Fazenda...
      • Motorcycle Wiring Harness Components - Honda Cb 75...
      • Motorcycle Brake Reservoir Diagram : Front Brake M...
      • Naming Chemical Compounds Worksheet : Nomenclature...
      • Slope Fields Worksheet Answers / Point Slope Form ...
      • Famous Spy Movie Quotes - Spy Movie Aldo Quotes To...
      • Feeling Hopeless Quotes - Feeling Lost 40 Quotes T...
      • George Wilson Quotes - The Cost In Grief And Devas...
      • Friendship Quotes In Bengali Language : Updated à¦...
      • Health Recovery Quotes / Make Your Mental Health A...
      • Famous Philosophers Quotes On Life - 100 Famous Ph...
      • Hvac Low Voltage Wiring Diagram - Draw A Factual D...
      • Guitar Output Jack Wiring Diagram - Amz Fx Guitar ...
      • Leland Electric Motor Wiring / Ep0243154a1 Paralle...
      • Quadrilateral Worksheets For 3Rd Grade / Third Gra...
      • Laws Of Motion Worksheet : Newtons Laws Of Motion ...
      • A Crude Awakening Worksheet Answers - Crude Oil Mo...
      • Letter R Tracing Worksheet - Practice Capital Lett...
      • Electric Liftgate Wiring Schematic / Tgs05b Contro...
      • Central Heating Wiring Diagram : S Plan Central He...
      • Hp Officejet J3680 Manual - Hp 22 Tri Color Origin...
      • 61 Ford Falcon Wiring Diagram / Ford Falcon Maveri...
      • 2011 Gmc Truck Wiring Diagram / 5 3 Wiring Harness...
      • 5Th Grade Transparent Translucent Opaque Worksheet...
      • All About Me Preschool Worksheets Free : All About...
      • Circle Shape Circle Worksheets For Preschool / Tra...
      • Stages Of Change Worksheet : Tools Worksheets Smar...
      • Student Art Critique Worksheet : Art Critique Work...
      • Thermal Energy Worksheet Physical Science - Therma...
      • Writing A Check Worksheet : How To Write A Check O...
      • American Revolution Map Worksheet - Development Of...
      • Summer Worksheet For Grade 1 : Free Preschool Summ...
      • Preschool Diploma Printable Free : Great Preschool...
      • Months Of The Year Preschool Printable : Free Prin...
      • Whale Preschool Craft Template : W Is For Whale Al...
      • Paper Mache Activities For Preschoolers : 7 Simple...
      • Colt Defender Manual - Since I Was A Little Kid I ...
      • Printable Ordinal Numbers Worksheet Grade 3 : Orde...
      • Introduce Myself Myself Worksheet For Kindergarten...
      • Science Volcano Worksheets : Label The Volcano Wor...
      • Patterns Grade 1 Worksheets / Ab Pattern Worksheet...
      • Simplifying Fractions Worksheet 7Th Grade Pdf : Gr...
      • Osmosis Jones Movie Worksheet Answers : Osmosis Jo...
      • Rental Property Worksheet Pdf / 18 Free Property M...
      • Parallel And Perpendicular Lines Worksheet Answers...
      • Potential And Kinetic Energy Worksheet Pdf / Pendu...
      • Cause And Effect Activities For Kindergarten / Cau...
      • Community Helpers Kindergarten Activities : Commun...
      • Writing Alphabet For Kindergarten : Abc Letter Tra...
      • Blending Words For Kindergarten Worksheet / Conson...
      • Kindergarten Graduation Sheet Cake Ideas - Pin By ...
      • Informational Text First Grade - Teaching Informat...
      • High Frequency Words Grade 2 - Second Grade Dolch ...
      • Ecosystem 4Th Grade / Ecosystems For Grades 4 6 -
      • Lined Paper For Kindergarten / Free 19 Sample Line...
      • Worksheet Natural Science Grade 6 : Grade 6 Natura...
      • Mother's Day Worksheet Card - Mother Day Printable...
      • Interior Angles Of Polygons Worksheet With Answers...
      • Linear Relationships Year 8 Worksheets / Graphing ...
      • Middle East Map Worksheet Answers : Asia Worksheets /
      • Geometry Worksheet Congruent Triangles Sss Sas Ans...
      • Letter I Worksheet For Preschool - Kindergarten Th...
    • ►  November (75)

Follow by Email

Subsribe to get post update from this blog in your email inbox.

Copyright © Img Stuckey. All rights reserved. Template by Romeltea Media